manual book
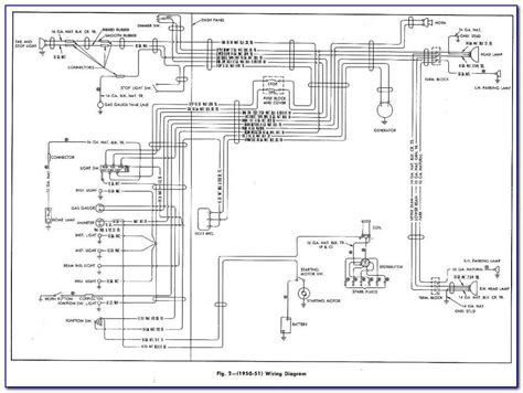
JPO 1956 Chevy Wiring Info Book
January 16, 2020
1956 Chevy Wiring
Privacy Policy |
DMCA |
Contact DMCA
Popular Posts
Categories
wiring
(158)
Tags