ebook
QPK 2000 Jeep Cherokee Power Window Wiring Diagram Book Info
January 23, 2020
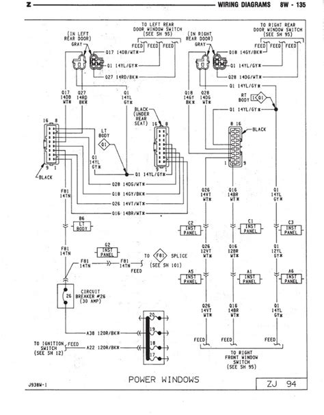
2000 Jeep Cherokee Power Window Wiring Diagram
Privacy Policy |
DMCA |
Contact DMCA
Popular Posts
Categories
wiring
(158)
Tags