manual book
YCP 2004 Kia Optima Wiring Diagram Color Online Read
January 26, 2020
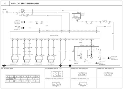
2004 Kia Optima Wiring Diagram Color
Privacy Policy |
DMCA |
Contact DMCA
Popular Posts
Categories
wiring
(158)
Tags